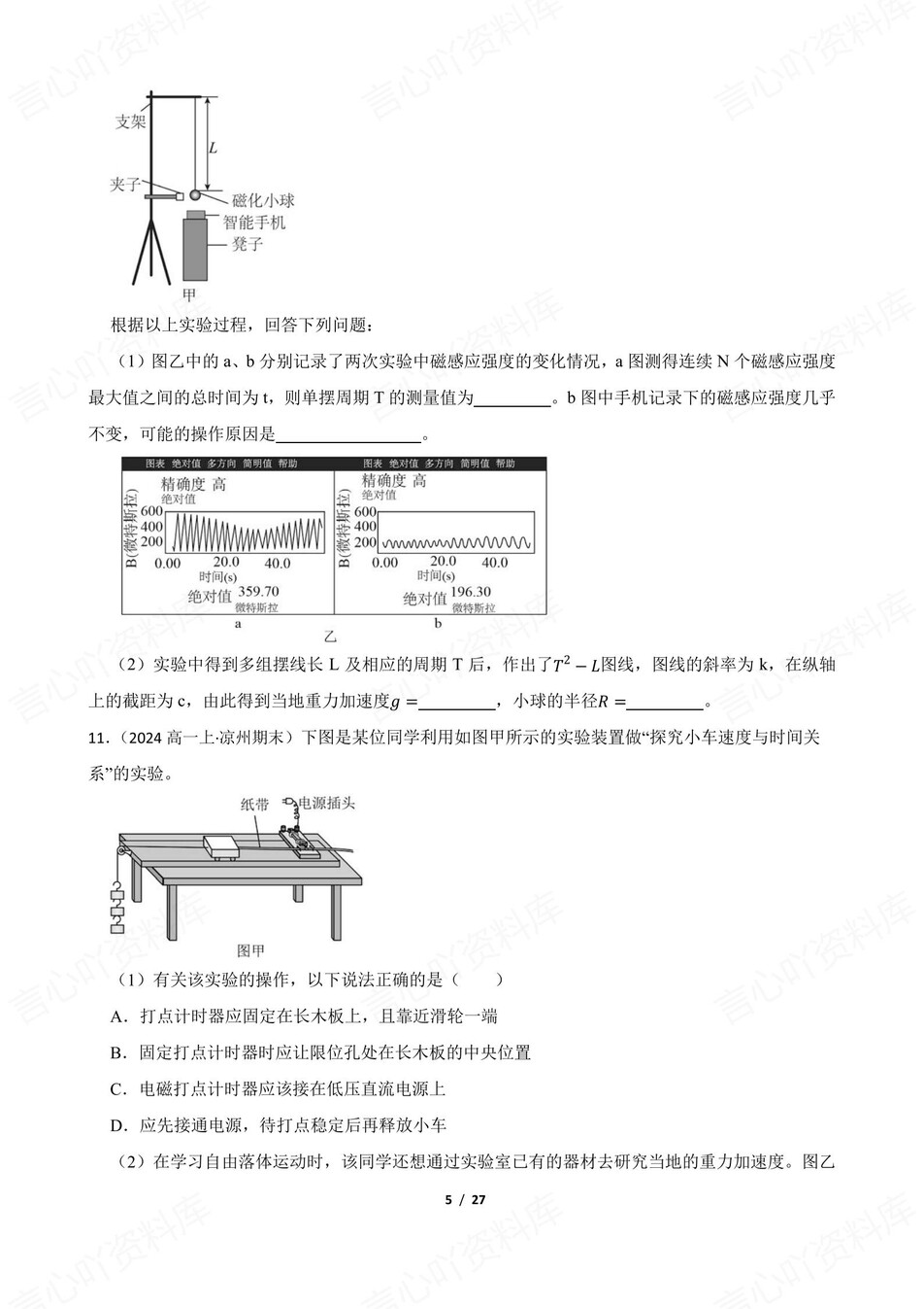
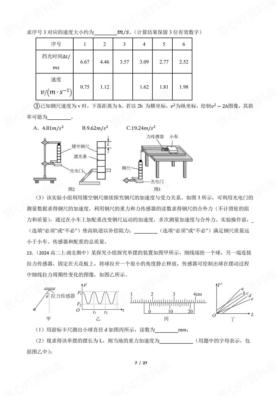
高中物理-高考力学实验梳理及练习含解析梁老师这家伙很懒,什么都没有写...关注25043 加入会员免费/折扣下载 力学题型,高中物理高考实验高考专项知识讲练,力学实验梳理及练习,ZBWL251120, 预览结束,请下载无水印完整版打印 加入会员免费/折扣下载 高中物理-高考力学实验梳理及练习含解析此内容为付费资源,请付费后查看30积分高中超级会员免费登录下载付费资源已下载 7© 版权声明言心吖资料库是一个提供信息分享和获取的平台,不确保部分用户上传资料的来源及知识产权归属。如您发现相关资料侵犯您的合法权益,请联系我们,经核实后将立即进行下架。THE END高中物理 喜欢就支持一下吧点赞43 分享QQ空间微博QQ好友海报分享复制链接收藏1